Гидравлический поршневой насос KPL-10CR — это компактный и надёжный одноступенчатый насос серии KPL-10, предназначенный для обеспечивания гидравлического потока около 10 см³/обор. Он хорошо подходит для применения в мобильной, строительной, сельскохозяйственной и промышленной технике, где требуется стабильное давление и надёжная работа.
Компактный и лёгкий — сухой вес около 3.6 кг.
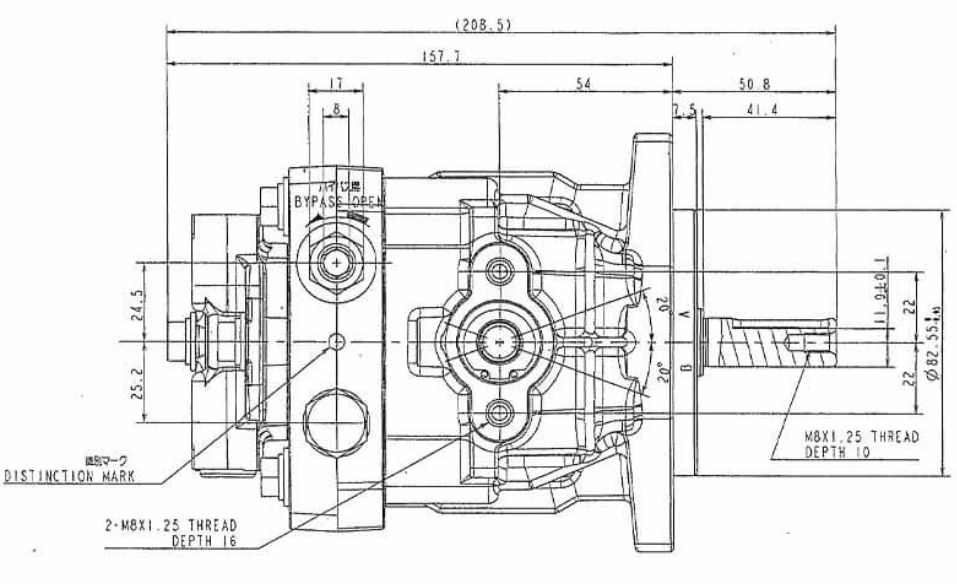
Постоянная производительность ~10 см³/рев. (классическая геометрическая подача у KPL-10)
Широкий диапазон рабочих оборотов: до 3600 об/мин максимум, минимум около 900–600 об/мин.
Рабочее давление: номинальное ~9.8 МПа, кратковременно до 14.7 МПа.
Гибкие опции конфигурации:
Направление вращения — по или против часовой стрелки.
Варианты установки входного вала (шлицевой, шпонка, тангенциальный).
Возможность подключения вспомогательного (зарядного) насоса (charge pump), либо внешней гидравлики — в зависимости от версии.
Стандартные размеры портов и монтаж: главный порт 3/4-16 UNF-2B O-ring Boss; слив/дренаж 9/16-18 UNF-2B; монтаж по стандарту SAE “A”.
Универсальность в эксплуатации: подходит для разных схем гидравлики — как самостоятельный насос, так и в составе сложных систем.


| Параметр | Значение |
|---|---|
| Тип поршня | Без башмака (shoeless) |
| Геометрическая подача / объём | ≈ 10 см³ / обор (до 10.2 см³) |
| Вспомогательный (charge) насос | 3 см³/рев (в базовой конфигурации); при external hydraulics — до 4 см³/рев |
| Рабочее давление | Номинальное: 9.8 МПа; Максимальное (intermittent): 14.7 МПа |
| Максимальное давление (пиковое) | До 24.5 МПа (в некоторых режимах) |
| Частота вращения вала (input speed) | Мин.: 600–900 об/мин; Макс.: 3600 об/мин |
| Вес (сухой) | ~ 3.6 кг |
| Размеры/соединения | Главный порт: 3/4-16 UNF-2B O-ring Boss; слив/дренаж и charge/сосательный порт: 9/16-18 UNF-2B O-ring Boss; крепление по SAE “A” |
| Возможности конфигурации | – Направление вращения (CW/CCW) – Варианты крепления/вала (шпонка, шлиц и др.) – Опционально: charge pump, внешняя гидравлика, возврат в нейтральное (neutral detent) устройство |
| Рекомендуемое масло | Гидравлическое масло ISO VG 46 или SAE 10W-30 (CD grade) |
Малые/компактные строительные машины — мини-экскаваторы, мини-погрузчики, дорожная техника, где важна компактность и лёгкий вес.
Сельскохозяйственная техника — тракторы, машины для обработки земли, где нужна стабильная и надёжная подача гидравлики.
Мобильные/специальные машины — коммунальная техника, причепы с гидравликой, манипуляторы, подъёмники, сцепные устройства.
Промышленные гидросистемы — автономные гидроагрегаты, вспомогательные гидролинии, системы подъёма/перемещения/привода.
Ремонтные и сервисные установки — гидравлические стенды, испытательные стенды, мобильные насосные станции.
Вопрос 1: Для каких задач подходит насос KPL‑10CR?
Ответ: Насос KPL‑10CR — поршневой гидравлический насос с подачей около 10 см³/об, компактный и лёгкий. Он хорошо подходит для мини‑техники, таких как мини‑экскаваторы, сельскохозяйственная, коммунальная, строительная и спецтехника, а также для мобильных гидросистем, где важны стабильная подача масла и удобство монтажа.
Вопрос 2: Какие условия эксплуатации важны для надёжной работы?
Ответ: Для стабильной и долговечной работы критически важно: использовать качественное и чистое гидравлическое масло, поддерживать чистоту масла и фильтров, обеспечивать достаточный уровень масла в баке, избегать «сухого хода» (работы без масла), соблюдать рекомендуемые производителем параметры давления и скорости, а также не допускать загрязнения, воды или воздуха в системе.
Вопрос 3: Насос начал шуметь, вибрировать или работает неустойчиво — что может быть причиной?
Ответ: Частые причины — загрязнение масла или фильтра, попадание воздуха или воды в систему (аэрация / кавитация), недостаточный уровень масла, перегрузка по давлению или перегрев масла, неправильная установка или монтаж, износ уплотнений или внутренних компонентов. В таких случаях рекомендуется проверить уровень масла, фильтры, герметичность, правильность монтажа, а при необходимости заменить масло и фильтр.
Вопрос 4: Как часто нужно проводить обслуживание насоса / гидросистемы?
Ответ: Обслуживание зависит от условий эксплуатации. Обычно рекомендуется регулярно проверять чистоту масла и фильтров, заменять масло и фильтры при загрязнении, особенно в тяжёлых или пыльных условиях. В рабочих системах с интенсивной нагрузкой — проверка / замена каждые 250–500 моточасов, либо по фактическому состоянию масла и фильтров.
Вопрос 5: Насос вышел из строя — стоит ли ремонтировать или заменять полностью?
Ответ: Если отказ связан с изолированной мелкой деталью (например, уплотнение, сальник), ремонт и замена детали может быть оправдана. Если же повреждены внутренние компоненты — поршни, корпус, ротор, либо насос прошёл значительную часть ресурса — экономичнее заменить насос целиком. При замене важно полностью промыть систему, удалить загрязнения, старое масло, чтобы не допустить преждевременного износа нового насоса.
Вопрос 6: Что может привести к преждевременному выходу насоса из строя?
Ответ: Основные факторы риска: загрязнение масла (пыль, частицы металла, вода, воздух), неправильное или нерегулярное обслуживание (загрязнённые или старые фильтры, непроверенная чистота масла), эксплуатация за пределами допустимых параметров (слишком высокое давление, перегрев масла, работа «всухую»), неправильная установка/монтаж, неправильный подбор масла, а также отсутствие своевременной профилактики.
Вопрос 7: Можно ли использовать насос в тяжёлых условиях — пыль, грязь, высокие температуры?
Ответ: Да — но при этом требования к чистоте масла, фильтрации, техническому обслуживанию и контролю состояния гидросистемы значительно повышаются. В таких условиях рекомендуется чаще проверять масло, фильтры, герметичность, состояние уплотнений; при необходимости — использовать дополнительные фильтры, следить за температурой масла, предотвращать перегрев, а также соблюдать рекомендации по подключению и монтажу. При правильной эксплуатации и обслуживании насос может выдерживать повышенные нагрузки.